Beskrivning
Armaturtyp
Fyrkantig infälld LED-armatur med optik bestående av linssystem och kubisk avbländning med hög verkningsgrad.
Monteringsmetoder
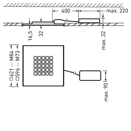
Utformad för inbyggnad i systemtak med synligt bärverk. Ytterligare information och data om armaturinstallation och infästning finns i monteringsanvisningen.
Optiskt system
Det optiska systemet med en exakt koordinerad kombination av LED-linser och antireflexelement ger mycket hög visuell komfort med mycket hög fotometrisk prestanda. Med symmetrisk bred ljusintensitetsfördelning. Bländningsutvärdering enligt UGR-klassning (EN 12464-1) < 16. / 19. Lämplig för bildskärmsarbetsstationer enligt EN 12464-1 via begränsad luminans L ≤ 1500 cd/m² för strålvinkel över 65° runtom.
LED-system
Med 25 ljuselement, fyrkantig version (5 x 5). Genomsnittlig servicelivslängd L80(tq 25 °C) = 100 000 h, L90(tq 25 °C ) = 50 000 timmar. Ljuskällan är utbytbar enligt ekodesignkraven (VO (EU) 2019/2020).
Armaturkropp
Armaturstomme av stålplåt, pulverlackerad vit (RAL 9016). Lackerad avbländning, med fin ytstruktur. Avskärmningskuberna kan på begäran lackeras i andra RAL-färger. Färgen på avskärmningskuberna har ingen betydande inverkan på armaturens fotometriska egenskaper. Säkerhetsklass (EN 61140): II, kapslingsklass (DIN EN 60529): IP20, slagtålighetsnivå enligt IEC 62262: IK03, provningstemperatur för trådglödtest enligt IEC 60695-2-11: 650 °C.
Elektrisk anslutning
Polaritetsskyddad snabbanslutning med vidarekoppling upp till Ø 2,5 mm². Anslutning av driftdonet till armaturen (Plug ‘N Play). Armaturens förpackningskoncept underlättar separat demontering av LED-driver för förmontering och lämnar kvarvarande armaturkomponenter skyddade fram till slutmonteringen.
Elektrisk version
Med extern LED-driver, tänd/släck eller digitalt dimbar (DALI). LED-driver enligt DALI-2 standard (EN 62386). Armaturen är tänd/släck och dimbar med touchfunktion via DALI-plint (Touch DIM). LED-driver är utbytbar i enlighet med ekodesignkraven (VO (EU) 2019/2020). LED-drivern är brytarsäker och skyddad mot felaktig anslutning, kortslutning, överbelastning och övertemperatur. Effektrippel för driftdonet ≤ 4 % för effektiv styrning av LED-systemet och för flimmerfritt ljus. Armaturen kan på begäran utrustas med funktionen Monitoring Ready (MOR). Armaturen uppfyller de grundläggande kraven i tillämpliga EU-förordningar och produktsäkerhetslagstiftning och bär CE-symbolen.
Armaturen ingår i en serie infällda, utanpåliggande och pendlade armaturer med ett harmoniserat utseende. Projektspecifika versioner med varierande armaturegenskaper är möjliga på begäran.

